Когда появится в продаже?
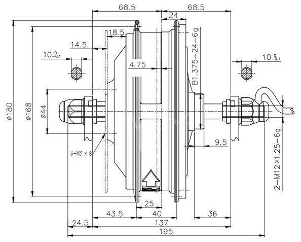
Заднее мотор-колесо 600Вт.
36 отверстий под спицы
Встроенный датчик скорости
Без датчика температуры
Тип редуктора: Outrunner
Обороты при 48В - 400об/мин
Посадочное место - 135мм
Крепление фривила - 35мм
Ось 12х10мм
Вес 4,2кг
Максимальный ток 20А
Номинальное напряжение 48В

