Здравствуйте! Подскажите - какой длини нужни спици на 26 колесо mtx39
Увага! можливе спицювання в будь-який розмір обода на вибір: 20, 24, 26, 27.5, 28, 29
Мотор оснащений швидкознімним потужним водонепроникним роз'ємом (для зручності ремонту при проколах шин) з позолоченими контактами.
1. Мотор оснащений датчиком температури обмоток. Вихід на білий дріт у колодці з датчиками Холла.
Датчик NTC10K. При використанні з контролером Garmata Black Edition 65A на дисплеї відображається температура мотора.
2. Матове фарбування
3. Сальники на осі
4. оберти при 48В - 480 об/хв без навантаження
В іншому все як було раніше:
Безредукторне безщіткове заднє мотор-колесо Evel GTS1000 - це нове покоління перевіреного часом мотор-колеса 1000Вт прямого приводу (директ драйв).
Форм-фактор так званого «205-ого» мотора існує на ринку досить давно.
Це двигуни діаметром 205мм (з фланцями під спиці 245мм). Вони можуть відрізнятися за заявленою потужністю від 350Вт до 1000Вт.
Корпуси одні й ті самі, але тільки в чесних кіловатниках магніти і котушки займають все відведене їм місце.
Звісно, багато досвідчених електробайкерів прийшли до того, що встановлюючи на велосипед 6 кг додаткової ваги в колесі, краще вже взяти потужніший.
Мотори цього типу практично не вбиваються, але все ж час показав тонкі місця і ми попрацювали над ними:
У GTS1000 кабель йде внутрішньою стороною вилки, тому перебити його неможливо і роз'єми розпаковувати не потрібно. Непустотіла вісь також забезпечує більший запас міцності.
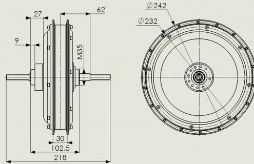
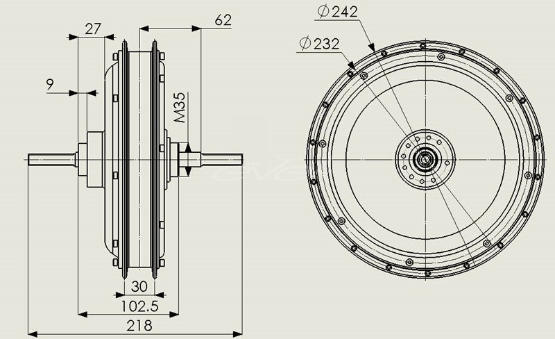
2. Для встановлення гальмівного диска був потрібен нестандартний перехідник з різьблення 35мм на стандарт 6 болтів. У моторах, де перехідник не потрібен - часто виліт посадкового місця менший за ширину гальмівного каліпера (супорта).
У GTS1000 вже є посадкове місце під гальмівний диск 6 болтів М5 (міжцентрова відстань 44мм) з вильотом 18мм.
3. Стандартний переріз фазного дроту у всіх мотор-колесах до 1500Вт становить 1,5кв.мм, а цього критично недостатньо навіть при перевищенні 48В800Вт.
З приходом розуміння цього досвідчені електровелосипедисти перепаювали фазні дроти на більш товсті, інакше частина енергії просто йшла на нагрівання проводів.
У GTS1000 фазні дроти мають перетин 2,5 кв. мм, цього достатньо для форсування мотор-колеса до пікової короткочасної потужності 3000Вт (72В40А) без будь-яких змін у самому моторі.
4. Для встановлення стандартного фрівіла на 7 зірок Shimano потрібно було підставляти додаткові шайби, потім спицювати парасолькою.
У GTS1000 діаметр осі збільшено на вильоті 39мм, відповідно і підшипники стоять більші та міцніші.
Кришки у внутрішній частині отримали ребра для посилення жорсткості навколо обойми підшипника і поліпшення відведення тепла.
Неодимові магніти шириною 30мм і обмотки, що забезпечують 52км/год за напруги 48 вольт. (У наявності швидкісна версія з маркуванням 6T9W).
Як і раніше, ми пропонуємо купити потужний мотор для електровелосипеда тільки для встановлення на задній привід.
Мотор-колесо Evel GTS 1000 буде чудовим вибором для тих, хто бажає створити електровелосипед, який не потребує крутіння педалей.
Щоб уникнути провороту осі в рамі велосипеда за підвищених навантажень і рекуперативного гальмування, рекомендується встановлення підсилювача дропаутів.
Зверніть увагу, використання малопотужних безредукторних важких мотор-коліс (350, 500, 600, 700 Вт) фактично не дає економії енергії, але обмежує верхню межу ваших можливостей. У прямопривідних мотор-коліс (директ драйв, він же безредукторний) ККД при швидкості 25-30км/год практично однаковий. Однак, при форсуванні їх (якщо вам захочеться швидше або більше тяги) ККД значно знижується порівняно з більш потужними внаслідок нагріву. Тобто за швидкості 30км/год споживання мотор-коліс 500 і 1000Вт буде практично однаковим, але за швидкості 45км/год або на крутих підйомах 1000Вт буде економічнішим і тяговитішим.























